Каминная топка EcoKamin Вега 1000 K
e92bc74ab082
Доставка в Уфу
Удобство оплаты
Почему звонить в Очаг уже сейчас?
- Единая цена по всей России
- Бесплатная доставка
- Понимаем любой бюджет
- Считаем ВСЕ варианты
- Инструкции и видео для Монтажа
- Доступно, Оперативно, Профессионально
- Более 2 000 монтажей за 17 лет
Примеры работ #Степан_Знает
Видео галерея
Описание
Характеристики
Общие
Производитель:
Страна-производитель:
Россия
Остекление:
Материал корпуса:
Материал топки:
- Шамот
Конструкция топки:
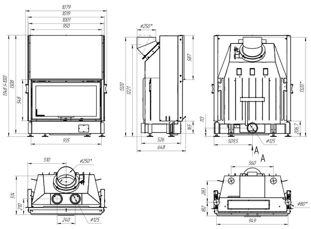
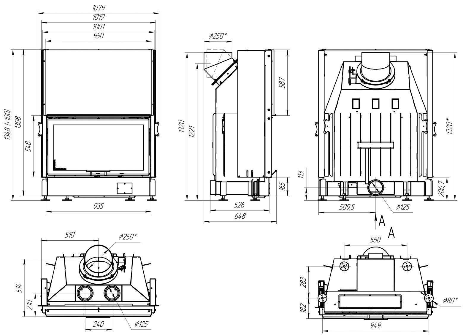
Размеры
Диаметр дымохода:
250 мм
Общая ширина:
1065 мм
Общая глубина:
560 мм
Общая высота:
1510 мм
Общий вес:
287 кг
Высота рамки:
500 мм
Ширина рамки:
900 мм
Производительность
Мощность:
18 кВт
КПД:
80%
Площадь отопления:
180 м²
Объем отопления:
450 м³
Использование для отопления:












