Каминная топка Hoxter ECKA 67/45/51
03521581fe95
Доставка в Уфу
Удобство оплаты
Почему звонить в Очаг уже сейчас?
- Единая цена по всей России
- Бесплатная доставка
- Понимаем любой бюджет
- Считаем ВСЕ варианты
- Инструкции и видео для Монтажа
- Доступно, Оперативно, Профессионально
- Более 2 000 монтажей за 17 лет
Примеры работ #Степан_Знает
Видео галерея
Описание
Характеристики
Общие
Производитель:
Страна-производитель:
Чехия
Остекление:
Материал корпуса:
Материал топки:
- Шамот
Конструкция топки:
Стекло с подъемом вверх:
Нет
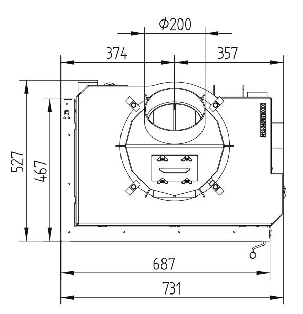
Размеры
Диаметр дымохода:
200 мм
Общая ширина:
732 мм
Общая глубина:
527 мм
Общая высота:
995 мм
Общий вес:
323 кг
Производительность
Мощность:
11 кВт
КПД:
80%
Площадь отопления:
110 м²
Объем отопления:
275 м³
Использование для отопления:












